
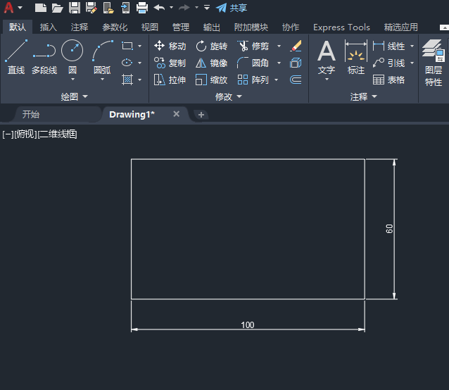
1、打开CAD软件,绘制一个100x60mm的矩形出来。

2、点击偏移工具,输入OFFSET命令,如下图:

3、设置偏移的距离:2,空格。

4、然后就可以向内偏移。如下图:

5、这样就完成了向里缩2mm,把外面的删除掉即可。

Greenfoot是一款简单易用的Java开发环境,该软件界面清爽简约,既可以作为一个开发框使用,也能够作为集成开发环境使用,操作起来十分简单。这款软件支持多种语言,但是默认的语言是英文,因此将该软件下载到电脑上的时候,会发现软件的界面语言是英文版本的,这对于英语基础较差的朋友来说,使用这款软件就会...
07-05
Egret UI Editor是一款开源的2D游戏开发代码编辑软件,其主要功能是针对Egret项目中的Exml皮肤文件进行可视化编辑,功能十分强大。我们在使用这款软件的过程中,可以将一些常用操作设置快捷键,这样就可以简化编程,从而提高代码编辑的工作效率。但是这款软件在日常生活中使用得不多,并且专业性...
07-05
KittenCode是一款十分专业的编程软件,该软件给用户提供了可视化的操作界面,支持Python语言的编程开发以及第三方库管理,并且提供了很多实用的工具,功能十分强大。我们在使用这款软件进行编程开发的过程中,最基本、最常做的操作就是新建项目,因此我们很有必要掌握新建项目的方法。但是这款软件的专业性...
07-05
Thonny是一款十分专业的Python编辑软件,该软件界面清爽简单,给用户提供了丰富的编程工具,具备代码补全、语法错误显示等功能,非常的适合新手使用。该软件还支持多种语言,所以在下载这款软件的时候,有时候下载到电脑中的软件是英文版本的,这对于英语基础较差的小伙伴来说,使用这款软件就会变得十分困难,...
07-05