
指定颜色和线宽,用于视觉效果和打印
不显示一条或全部尺寸界线(如果不需要这些尺寸界线或没有足够的空间)

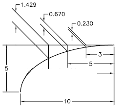
控制尺寸界线原点偏移长度,即尺寸界线原点和尺寸界线起点之间的距离

指定尺寸界线的固定长度,即从尺寸线到尺寸界线原点测得的距离

指定非连续线型(通常用于中心线)

修改所选标注的尺寸界线的角度,使之倾斜
用户可以指定标注样式,来设置尺寸界线的总长度(起始于尺寸线,直到标注原点)。
相对于原点的尺寸界线的偏移距离决不能小于 DIMEXO 系统变量指定的值。
Greenfoot是一款简单易用的Java开发环境,该软件界面清爽简约,既可以作为一个开发框使用,也能够作为集成开发环境使用,操作起来十分简单。这款软件支持多种语言,但是默认的语言是英文,因此将该软件下载到电脑上的时候,会发现软件的界面语言是英文版本的,这对于英语基础较差的朋友来说,使用这款软件就会...
07-05
Egret UI Editor是一款开源的2D游戏开发代码编辑软件,其主要功能是针对Egret项目中的Exml皮肤文件进行可视化编辑,功能十分强大。我们在使用这款软件的过程中,可以将一些常用操作设置快捷键,这样就可以简化编程,从而提高代码编辑的工作效率。但是这款软件在日常生活中使用得不多,并且专业性...
07-05
KittenCode是一款十分专业的编程软件,该软件给用户提供了可视化的操作界面,支持Python语言的编程开发以及第三方库管理,并且提供了很多实用的工具,功能十分强大。我们在使用这款软件进行编程开发的过程中,最基本、最常做的操作就是新建项目,因此我们很有必要掌握新建项目的方法。但是这款软件的专业性...
07-05
Thonny是一款十分专业的Python编辑软件,该软件界面清爽简单,给用户提供了丰富的编程工具,具备代码补全、语法错误显示等功能,非常的适合新手使用。该软件还支持多种语言,所以在下载这款软件的时候,有时候下载到电脑中的软件是英文版本的,这对于英语基础较差的小伙伴来说,使用这款软件就会变得十分困难,...
07-05